The ST series 70-frame is a compact, brush-commutated Permanent Magnet DC Motor, optionally integrated with an NMRV worm gearbox offering reduction ratios from 7.5:1 to 100:1, and capable of delivering up to 23.88 N·m of output torque. It is available in 24 VDC, 27 VDC, or 48 VDC, 80 VDC, 110 VDC, 220 VDC versions, with power ratings ranging from 40 W to 148 W.
Shaft configurations can be customized to meet specific application needs, and both carbon and metal brush types are available. Optional encoders can also be integrated for precise speed and position feedback.
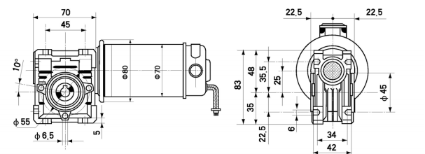
Installation
| Type | H | h | h₁ | A | b | C₁ | C₂ | C₃ | B | I | L₁ | (L₂) | (L₃) | D | E | I₄ | F | G | d | Weight(kg)≦ |
|---|---|---|---|---|---|---|---|---|---|---|---|---|---|---|---|---|---|---|---|---|
| - | - | - | (±0.25) | - | - | (±0.25) | - | - | - | - | (h₈) | - | - | ⁺º·ºº⁵ | (h₁₁) | (H₁₁) | ||||
| 70ZYT | 42.5 | 79.5 | 5 | 74 | 90 | 22 | 22 | 22 | 39 | 55 | 114 | 124 | 136 | 6 | 12 | 16 | 2 | 4.3 | 7 | 2 |
| 90ZYT | 50_₀.₄ | 97.5 | 3 | 100 | 116 | 32 | 40.5 | 49 | 44 | 64 | 127 | 147 | 172 | 8 | 16 | 18 | 2 | 5.2 | 10 | 4.2 |
| 110ZYT | 63_₀.₅ | 120.5 | 4 | 115 | 130 | 34 | 42 | 57 | 70 | 85 | 172 | 188 | 218 | 114 | 20 | 22 | 4 | 11.5 | 13 | 8.0 |
| Type | N | h₂ | h₃ | M | P | S | D₁ | L₁ | L₂ | L₃ | D | E | I₄ | F | G | d | Weight(kg)≦ |
|---|---|---|---|---|---|---|---|---|---|---|---|---|---|---|---|---|---|
| (h₇) | - | (h₁₂) | (±0.15) | - | (h₁₄) | - | - | - | - | (h₆) | - | - | (h₁₁) | (h₁₁) | |||
| 55ZYT | 42 | 4 | 2.5 | 48 | 58 | 4.5 | 60 | 96 | 106 | 5 | 12 | 13.5 | 2 | 3.3 | 7 | 0.9 | |
| 70ZYT | 54 | 5 | 3 | 60 | 72 | 5.5 | 74 | 114 | 124 | 136 | 6 | 14 | 16 | 2 | 4.3 | 7 | 1.6 |
| 90ZYT | 70 | 6 | 3 | 76 | 92 | 6.6 | 95 | 127 | 147 | 172 | 8 | 16 | 18 | 2 | 5.2 | 10 | 4.0 |
| 110ZYT | 85 | 7 | 4 | 94 | 112 | 9 | 115 | 172 | 188 | 218 | 14 | 20 | 22 | 4 | 11.5 | 13 | 7.8 |
| Type | D | E | F | G | M | N | P | S | Compatible AC Motor Models | Notes |
|---|---|---|---|---|---|---|---|---|---|---|
| 70ZYT | 9 | 20 | 3 | 7.2 | 55(65) | 40(50) | 70(80) | M5 | Y₂50B14(56B14) | Direct connection possible NMRV series worm gear reducer WB series miniature cycloidal reducer X, B series cycloidal reducers |
| 90ZYT | 11 | 23 | 4 | 8.5 | 75 | 60 | 90 | M5 | Y₂63B14 | |
| 110ZYT | 14 | 30 | 5 | 11 | 85 | 70 | 110 | M5 | Y₂71B14 |
Motor Technical Parameters
| Type | Torque ( mN.m ) | Speed ( r/min ) | Power (W) | Voltage (V) | Current no more than | Allowable forward/reverse speed difference ( r/min ) |
|---|---|---|---|---|---|---|
| 70ZYT01 | 159.2 | 3000 | 50 | 24 | 3.2 | 200 |
| 70ZYT02 | 159.2 | 3000 | 50 | 27 | 2.9 | 200 |
| 70ZYT03 | 159.2 | 3000 | 50 | 48 | 1.5 | 200 |
| 70ZYT04 | 159.2 | 3000 | 50 | 110 | 0.7 | 200 |
| 70ZYT05 | 135.4 | 6000 | 85 | 24 | 5.2 | 300 |
| 70ZYT06 | 135.4 | 6000 | 85 | 27 | 4.8 | 300 |
| 70ZYT07 | 135.4 | 6000 | 85 | 48 | 2.6 | 300 |
| 70ZYT08 | 135.4 | 6000 | 85 | 110 | 1.1 | 300 |
| 70ZYT16 | 191 | 2000 | 40 | 24 | 2.3 | 100 |
| 70ZYT21 | 95.5 | 2000 | 50 | 220 | 0.2 | 200 |
| 70ZYT51 | 223 | 3000 | 70 | 24 | 4.3 | 200 |
| 70ZYT52 | 223 | 3000 | 70 | 27 | 3.8 | 200 |
| 70ZYT53 | 223 | 3000 | 70 | 48 | 2.2 | 200 |
| 70ZYT54 | 223 | 3000 | 70 | 110 | 0.95 | 200 |
| 70ZYT55 | 191.1 | 6000 | 120 | 24 | 7.5 | 300 |
| 70ZYT56 | 191.1 | 6000 | 120 | 27 | 6.6 | 300 |
| 70ZYT57 | 191.1 | 6000 | 120 | 48 | 3.8 | 300 |
| 70ZYT58 | 191.1 | 6000 | 120 | 110 | 1.6 | 300 |
| 70ZYT59 | 166.6 | 7500-9500 | 148 | 110 | 1.95 | 400 |
| 70ZYT60 | 238.8 | 4000 | 100 | 110 | 1.3 | 200 |
| 70ZYT80 | 223 | 3000 | 70 | 80 | 1.2 | 200 |
The RV025 Series with 70ZYT Motor and 56B14 Flange
Application in Different Scenarios
Customer Service
United Motion Inc.’s motion solution apply in diverse areas all around the world.
Our sales and engineering support teams are ready to assist you with any questions, including quotation, application support, and product configuration.
Please submit your requirements through our Custom Service Form to ensure a faster response. Or you can reach us at info@unitedmotioninc.com for general inquiries.
Tell Us About Your Application Requirements
United Motion Inc welcomes inquiries and challenges. If you find our standard products cannot meet your need, please feel free to contact us for customization. Our professional engineering and service team will quickly review your need and propose a solution if we can make it.
We look forward to communicating and collaborating with you!