The 42ZY66 series is a compact, high-performance brushed DC gear motor designed for precision motion control applications that require reliability, smooth operation, and long service life.
It is rated for 12V, and combines a permanent-magnet brushed DC motor with a durable planetary gearbox, offering a wide range of reduction ratios from 3.5:1 to 504:1 and delivering up to 15 N·m of output torque.

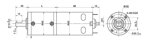
Shaft configurations can be customized, carbon or metal brush types are selectable, and encoders are also available.

Dimensions

planetary motor

Motor Technical Parameters

TypeRated voltage
VDC
No-load speed
r/min
No-load current
mA
Rated speed
r/min
Rated torque
mN.m
Output Power
W
Rated current
mA
Stall torque
mN.m
Stall current
A
42ZY66-12571257000.848004525328015.2
42ZY66-12771277001.365006535524020.5

Gear Head Main Technical Parameters

42ZY66-1257 Technical Parameters

Reduction ratio3.5141721496184104126172212294504
Number of gear trains1222333334444
Length(L) mm32.539.239.239.2464646464652.552.552.552.5
No-load speed r/min16284073352711169368554533271911
Rated speed r/min137134328522998795747382823169.5
Rated torque N.m0.140.510.610.761.622.83.44.15.16.38.715
Max. permissible load in a short time3121212252525252530303030

42ZY66-1277 Technical Parameters

Reduction ratio3.5141721496184104126172212294
Number of gear trains122233333444
Length(L) mm32.539.239.239.24639.246464652.552.552.5
No-load speed r/min2200550453367157126927461453626
Rated speed r/min1857464382310133106776251383022
Rated torque N.m0.210.740.891.12.32.844.968.2914
Max. permissible load in a short time31212122525252525303030

Application in Different Scenarios

 

Customer Service

 

United Motion Inc.’s motion solution apply in diverse areas all around the world.

Our sales and engineering support teams are ready to assist you with any questions, including quotation, application support, and product configuration.

Please submit your requirements through our Custom Service Form to ensure a faster response. Or you can reach us at info@unitedmotioninc.com  for general inquiries.

Tell Us About Your Application Requirements

 

United Motion Inc welcomes  inquiries and challenges. If you find our standard products cannot meet your need, please feel free to contact us for customization. Our professional engineering and service team will quickly review your need and propose a solution if we can make it. 

We look forward to communicating and collaborating with you!

Scroll to Top