The 82-80ZY115 series is a high-performance DC planetary gear motordesigned for demanding motion control applications that require high torque, smooth operation, and long service life. Rated for 24V, it combines a permanent-magnet brushed DC motor with a durable planetary gearbox, offering reduction ratios from 4:1 to 329:1 and delivering up to 105 N·m of output torque, making it an ideal high torque planetary gear motor for automation equipment, robotics, and industrial systems.
Shaft configurations can be customized, carbon or metal brush types are selectable, and encoders are also available.
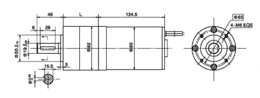
Dimensions
Motor Technical Parameters
| Type | Rated voltage VDC | No-load speed r/min | No-load current mA | Rated speed r/min | Rated torque mN.m | Output Power W | Rated current mA | Stall torque mN.m | Stall current A |
|---|---|---|---|---|---|---|---|---|---|
| 80ZY115-2420 | 24 | 2000 | 0.3 | 1500 | 440 | 72 | 4.2 | 1.7 | 15.4 |
| 80ZY115-2430 | 24 | 3000 | 0.5 | 2700 | 320 | 90 | 5.2 | 2.5 | 30 |
Gear Head Main Technical Parameters
80ZY115-2420 Technical Parameters
| Reduction ratio | 4 | 7 | 14 | 19 | 25 | 32 | 50 | 64 | 71 | 90 | 116 | 152 | 195 | 329 |
| Number of gear trains | 1 | 1 | 2 | 2 | 2 | 2 | 3 | 3 | 3 | 3 | 3 | 3 | 3 | 3 |
| Length(L) mm | 66 | 66 | 90 | 90 | 90 | 90 | 115 | 115 | 115 | 115 | 115 | 115 | 115 | 115 |
| No-load speed r/min | 500 | 286 | 143 | 105 | 80 | 63 | 40 | 31 | 28 | 22 | 17 | 13 | 10 | 6 |
| Rated speed r/min | 375 | 214 | 107 | 79 | 60 | 47 | 30 | 23 | 21 | 17 | 13 | 10 | 8 | 4.5 |
| Rated torque N.m | 1.6 | 2.8 | 5 | 6.8 | 8.9 | 11 | 16 | 21 | 23 | 29 | 37 | 49 | 63 | 105 |
| Max. permissible load in a short time | 60 | 60 | 180 | 180 | 180 | 180 | 360 | 360 | 360 | 360 | 360 | 360 | 360 | 360 |
80ZY115-2430 Technical Parameters
| Reduction ratio | 4 | 7 | 14 | 19 | 25 | 32 | 50 | 64 | 71 | 90 | 116 | 152 | 195 | 329 |
| Number of gear trains | 1 | 1 | 2 | 2 | 2 | 2 | 3 | 3 | 3 | 3 | 3 | 3 | 3 | 3 |
| Length(L) mm | 66 | 66 | 90 | 90 | 90 | 90 | 115 | 115 | 115 | 115 | 115 | 115 | 115 | 115 |
| No-load speed r/min | 750 | 429 | 214 | 158 | 120 | 94 | 60 | 47 | 42 | 33 | 26 | 20 | 15 | 9 |
| Rated speed r/min | 675 | 386 | 193 | 142 | 108 | 84 | 54 | 42 | 38 | 30 | 23 | 17.5 | 13.8 | 8 |
| Rated torque N.m | 1.2 | 2 | 3.6 | 4.9 | 6.5 | 8.3 | 12 | 15 | 16.5 | 21 | 27 | 36 | 46 | 77 |
| Max. permissible load in a short time | 60 | 60 | 180 | 180 | 180 | 180 | 360 | 360 | 360 | 360 | 360 | 360 | 360 | 360 |
Application in Different Scenarios
Customer Service
United Motion Inc.’s motion solution apply in diverse areas all around the world.
Our sales and engineering support teams are ready to assist you with any questions, including quotation, application support, and product configuration.
Please submit your requirements through our Custom Service Form to ensure a faster response. Or you can reach us at info@unitedmotioninc.com for general inquiries.
Tell Us About Your Application Requirements
United Motion Inc welcomes inquiries and challenges. If you find our standard products cannot meet your need, please feel free to contact us for customization. Our professional engineering and service team will quickly review your need and propose a solution if we can make it.
We look forward to communicating and collaborating with you!