The MS series three-phase asynchronous motors with aluminum housing are designed with the latest technology, made from high-quality materials, and fully comply with IEC standards.

They feature excellent performance, safety, and reliability, with a compact and attractive appearance. These motors operate with low noise, minimal vibration, and lightweight yet robust construction, making them easy to maintain. The MS series motors are suitable for general-purpose drives and various industrial applications.

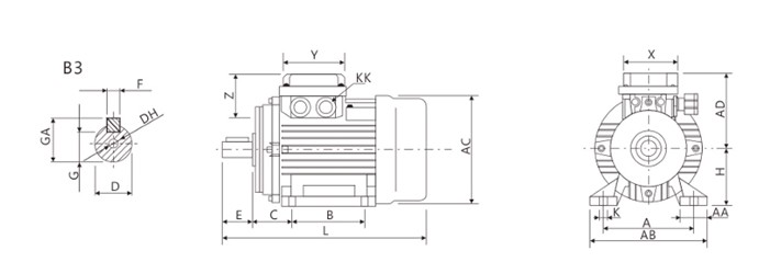
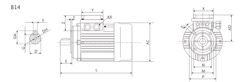
Dimensions

B3
B5
B14

Overall and Installation Dimensions

FRAMEMounting DimensionsOverall Dimensions
HABCDEFGKAAABACADDHL
MS 63631008040φ112348.572612212299M4×10217
MS 71711129045φ1430511726136138109M5×12255
MS 808012510050φ1940615.51030154157112M6×16290
MS 90S9014010056φ24508201034175175120M8×19335
MS 90L9014012556φ24508201034175175120M8×19365
MS 100L10016014063Φ28608241239196196139M10×22400
FRAMEKKB5B14
NMPSTNMPST
MS 631-M20*1.5φ95φ115φ140φ103φ60φ75φ90M52.5
MS 711-M20*1.5φ110φ130φ160φ103.5φ70φ85φ105M62.5
MS 801-M20*1.5φ130φ165φ200φ123.5φ80φ100φ120M63
MS 901-M20*1.5φ130φ165φ200φ123.5φ95φ115φ140M83
MS 1001-M20*1.5φ180φ215φ180φ154φ110φ130φ160M84

Technical Data

(1)at 50Hz

MODELPower (kW)Power (HP)Current(A)Spee(r/min)Eff%Power factor (cosφ)Tst/Tn (Times)Tmax/Tn (Times)Ist/In (Times)W.T (kg)Inertia (kg*m2)
220V380V415V100%75%50%
MS 631-20.180.250.960.550.51285065.963.556.20.7522.54.73.60.00024
MS 632-20.250.331.210.70.64284069.768.462.50.782.52.75.240.00026
MS 711-20.370.51.7410.92286073.872.466.50.762.52.85.65.20.00037
MS 712-20.550.752.331.341.23286077.863.556.20.83.13.16.56.20.0005
MS 801-20.7513.021.741.6289080.780.377.20.813.13.27.490.00097
MS 802-21.11.54.222.432.23289082.782.579.90.833.43.48.710.60.00126
MS 90S-21.525.723.33.02290084.283.881.40.823.53.78.3140.00219
MS 90L-22.238.224.754.35291085.986.184.70.823.13.58.116.30.00264
MS 100L1-23410.25.885.38291087.187.586.30.893.23.69.423.70.0049
MS 100L2-245.513.37.667.02291088.188.788.10.93.33.610.127.60.0059

(Other options: 230V, 460V/60Hz)

Application in Different Scenarios

 

Customer Service

 

United Motion Inc.’s motion solution apply in diverse areas all around the world.

Our sales and engineering support teams are ready to assist you with any questions, including quotation, application support, and product configuration.

Please submit your requirements through our Custom Service Form to ensure a faster response. Or you can reach us at info@unitedmotioninc.com  for general inquiries.

Tell Us About Your Application Requirements

 

United Motion Inc welcomes  inquiries and challenges. If you find our standard products cannot meet your need, please feel free to contact us for customization. Our professional engineering and service team will quickly review your need and propose a solution if we can make it. 

We look forward to communicating and collaborating with you!

Scroll to Top